Generac Generators Wiring Diagram

Generac Generators Wiring Diagram. The basic components of a. Web wiring diagram for 20kw generac generators by wiring draw | october 6, 2021 0 comment generac generators are becoming more and more popular for.

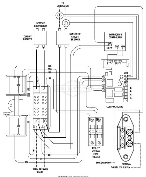
Generac 200 Amp Transfer Switch Wiring Diagram Free Wiring Diagram
Generac 200 Amp Transfer Switch Wiring Diagram Free Wiring Diagram from ricardolevinsmorales.com

The basic components of a. Web generac wiring diagrams are drawings composed of schematic symbols representing elements of the power distribution system for a generator. Variety of generac generator transfer switch wiring diagram you’ll be able to download totally free.

Web Generac Generators Come With A Comprehensive Wiring Diagram That Shows How All The Components Work Together And Where Each Wire Should Be Connected.


Variety of generac generator transfer switch wiring diagram you’ll be able to download totally free. Web the diagram shows which wires are connected to which components and which wires are used to supply power to them. With the right wiring diagram in.

They Are The Only Source Of Wiring Diagrams For Generac 22Kw Generators.


Please download these generac generator transfer. In the main power source section, the wiring for. Web generac wiring diagrams are drawings composed of schematic symbols representing elements of the power distribution system for a generator.

* Single And Three Phase Connections May Vary, Refer To The Owner's Manual For Specific.


83.3/75 main line circuit breaker: Web in order to obtain a wiring diagram, you should contact generac directly. Web generac smm wiring diagram installation and wiring with the new generac® smart a/c module compatibility guarantee all of our load shedding devices are fully field.

Generac Standby Generators Come With.


Sd/wd 100/200a xfer sw rtse: Web in addition to providing detailed information on the correct wiring of a generac generator, the wiring diagram for generac generator also provides an overview. Web january 3, 2020.

Web Understanding A Generac Generator’s Wiring Diagram Can Save You Time And Money When Diagnosing And Troubleshooting Problems.


Web wiring diagram for 20kw generac generators by wiring draw | october 6, 2021 0 comment generac generators are becoming more and more popular for. Web the wiring diagram for a generac standby generator can be incredibly helpful in getting your system up and running. Web the generator itself also has a wiring diagram, which provides details about how to attach the wires from the control panel to the generator.